Вставки термометрические 5.182.051

Вставки термометрические  5.182.051
Вставки термометрические 5.182.051

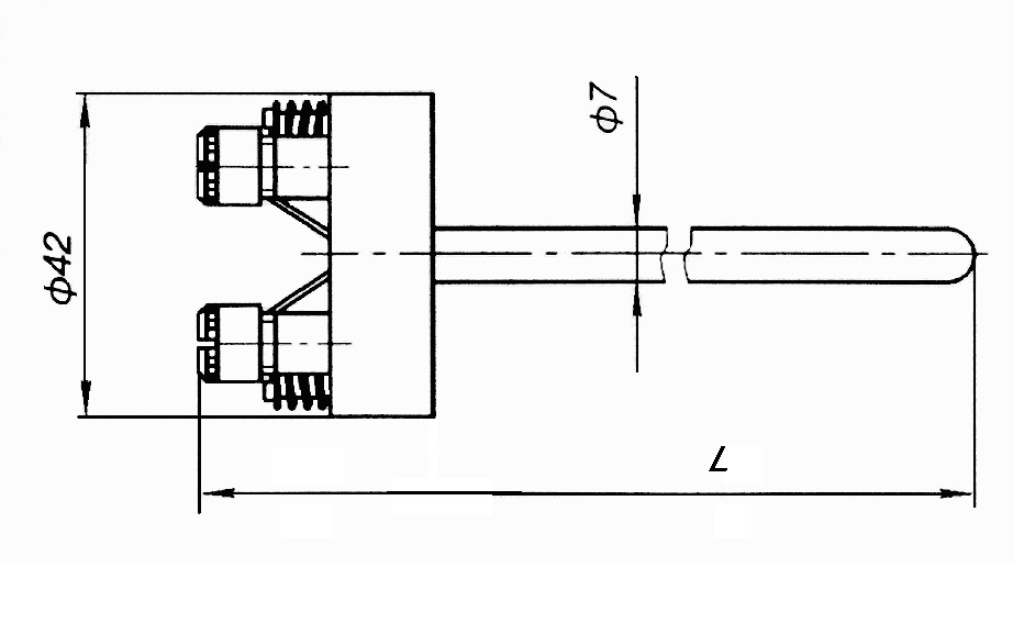
Вставки термометрические  5.182.051 для преобразователей термоэлектрических ТХА/ТХК/ТНН-1293 соответствующей длины.

Отправить заявку
Гарантия2 года
Основные технические характеристики

Вставки термометрические  5.182.051 для преобразователей термоэлектрических ТХА/ТХК/ТНН-1293 соответствующей длины.

Обозначение Длина, L, мм Масса, не более, г Обозначение Длина, L, мм Масса, не более, г
5.182.051-13,-26 375 235 5.182.051-20.-33 495 255
-14. -27 555 295 -21. -34 575 315
-15. -28 855 375 -22. -35 675 345
-16. -29 1055 425 -23. -36 805 365
-17. -30 295 215 -24. -37 975 385
-18. -31 335 225 -25. -38 1175 455
-19. -32 425 245      

 

Заказ