Проверочные преобразователи термоэлектрические ТПП-П, ТНН-П, ТХА-П, -В, -Р

Проверочные преобразователи термоэлектрические ТПП-П, ТНН-П, ТХА-П, -В, -Р
Проверочные преобразователи термоэлектрические ТПП-П, ТНН-П, ТХА-П, -В, -Р

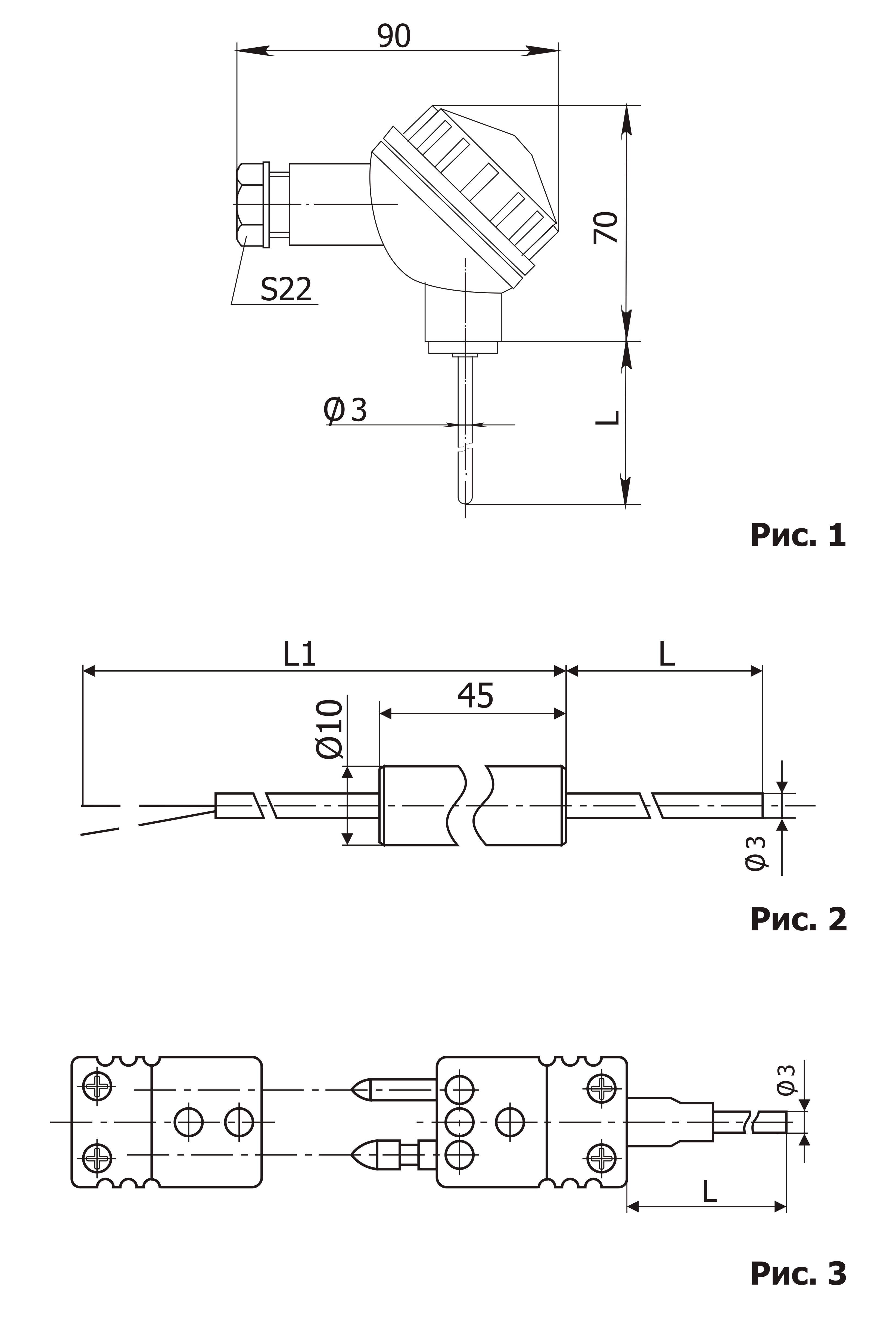
Проверочные преобразователи термоэлектрические ТПП-П, ТНН-П, ТХА-П, предназначены для периодического контроля значений температуры рабочего преобразователя с дополнительным каналом без его демонтажа.

Отправить заявку
Гарантия2 года
Основные технические характеристики

Проверочные преобразователи термоэлектрические ТПП-П, ТНН-П, ТХА-П, предназначены для периодического контроля значений температуры рабочего преобразователя с дополнительным каналом без его демонтажа.

Диапазон измеряемых температур, °С:

ТПП-П 0…+1250 °С
ТНН-П 0…+1000 °С ( +1250 °С)
ТХА-П -40 …+1000 °С ( +1100 °С)

В скобках указана предельная температура при кратковременном применении.

Измерительным узлом термопреобразователя являются чувствительный элемент, изготовленный на базе термопарного кабеля диаметром 3 мм с металлической оболочкой. Конструктивное исполнение выводной части — клеммная колодка. Для исполнений ТПП-П-В; ТНН-П-В; ТХА-П-В выводная часть — переходная втулка с удлинительными проводами. Для исполнений ТПП-П-Р; ТНН-П-Р; ТХА-П-Р выводная часть — разьем.

Заказ