Гильзы защитные цельноточеные с резьбовой ввертной частью ГЗР-01, ГЗР-02 предназначены для защиты датчиков температуры от воздействияизмеряемой среды.
Условное давление, PN-50 МПа.
Материал гильз: сталь 12Х18Н10Т; 08Х13; 10Х17Н13М2Т.
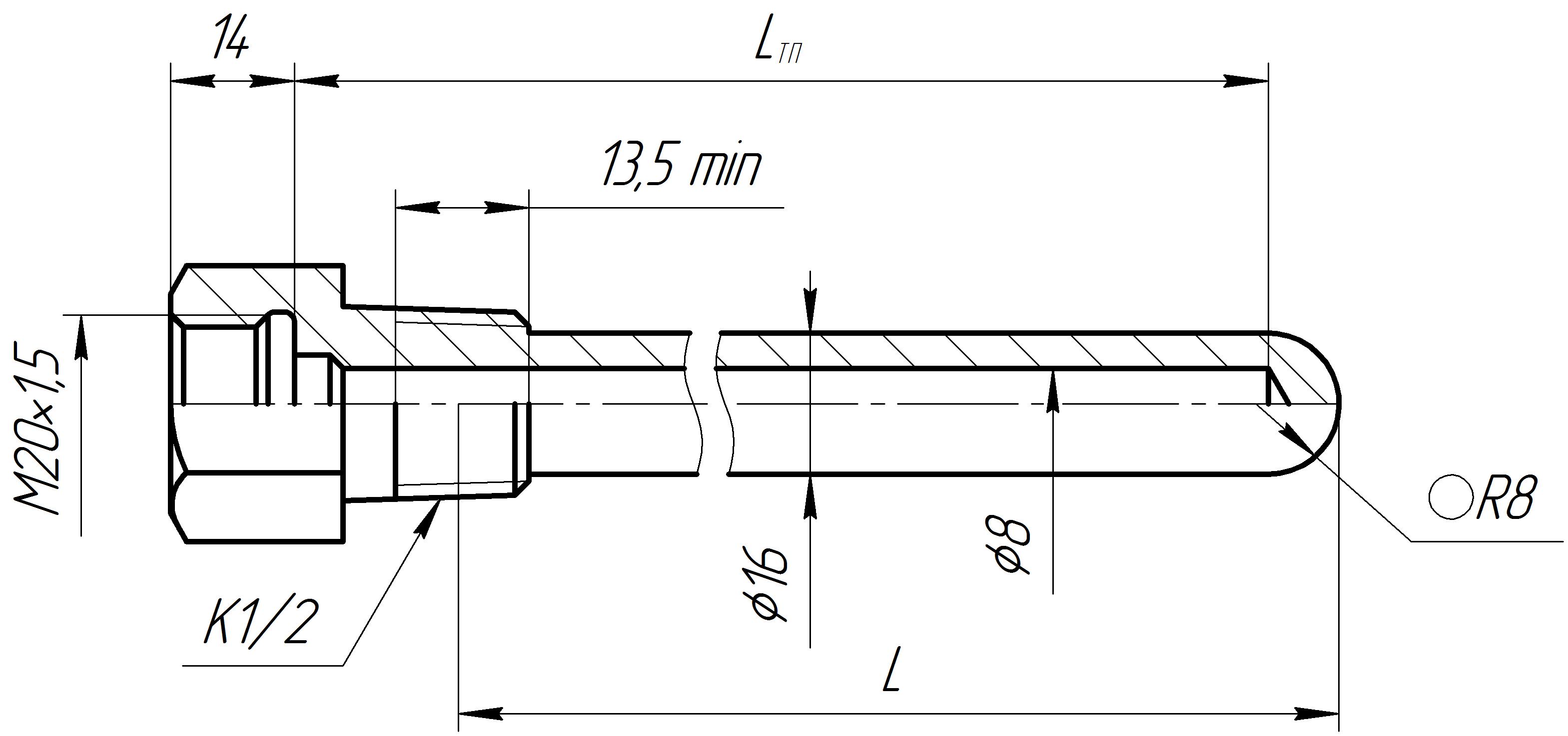
Габаритные размеры ГЗР-01, -02

Таблица А1. Обозначение гильз ГЗР-01, -02
| Обозначение гильзы |
Рисунок |
Монтажная резьба, М (К,G)* |
Монтажная длина
термопреобразователя,Lтп, мм** |
Погружная длина гильзы, L, мм |
Масса, кг |
| ГЗР-02 |
1 |
М33 х 2 |
80, 100, 120, 160, 200, 250, 320,
400, 500, 630, 800, 1000 |
L = Lтп |
от 0,74 до 1,3 |
| ГЗР-01 |
2 |
М20 х 1,5
М27 х 2
G3/4
G1 |
| ГЗР-02 |
3 |
М20 х 1,5
М27 х 2
G3/4
G1 |
| ГЗР-01 |
4 |
К3/4”
К1” |
L=Lтп-20 |
| ГЗР-02 |
5 |
К3/4”
К1” |
*Присоединительные резьбы гильз защитных:
метрическая — по ГОСТ24705-81;
метрическая коническая — по ГОСТ25229-82;
трубная цилиндрическая — по ГОСТ 6357-81
**Допускается любая длина в указанном диапазоне.
Таблица А2. Допустимые скорости потоков в зависимости от плотности среды и длины монтажной части термопреобразователя Lтп, мм
| L тп, мм |
Максимальная скорость потока, м/с |
| пар |
вода |
| 120, 160 |
120 |
10 |
| 200, 250, 320 |
100 |
7,5 |
| 400, 500 |
80 |
5,0 |