Нормирующие преобразователи 2000Н применяются для преобразования входных сигналов в выходной унифицированный токовый сигнал в системах управления техпроцессами в химической, пищевой и других отраслях промышленности. Количество входов: 1 канал
Входные сигналы
— от термопар ПР(В), ПП(S), XA(K), XK(L);
— от термопреобразователей сопротивления 50П, 100П, 50М, 100М (4-х проводная линия связи);
— напряжения (0-20) мВ, (0-100) мВ, (0-1), (0-10) B;
— тока (0-5) мА, (4-20) мА.
Основная погрешность
— ±0,5% от нормирующего значения
— ±1% от нормирующего значения для преобразователей с диапазоном измерения входного сигнала < 20 мВ, или <20% от его начального значения.
Быстродействие: не более 1 с.
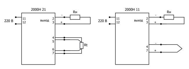
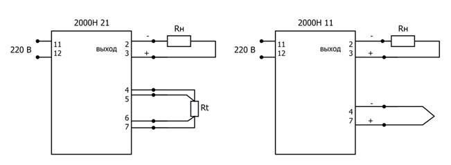
Выходные сигналы: унифицированный токовый сигнал (0-5)мА (4-20) мА (без линеаризации относительной температуры)
Монтаж на DIN-рейку.

Входные сигналы, НСХ, диапазоны преобразования, пределы допустимой основной приведенной погрешности
Пример заказа
Преобразователь нормирующий 2000Н-12 L, 0-300 °С, 4-20мА, 3шт.
1 2 3 4 5
где 1 — наименование преобразователя;
2 — модификация;
3 — входной сигнал;
4 — выходной сигнал;
5 — количество.