Барьеры искрозащиты пассивные

Барьеры искрозащиты пассивные
Барьеры искрозащиты пассивные
Отправить заявку
Гарантия36 месяцев со дня ввода в эксплуатацию
Основные технические характеристики
Барьеры безопасности РИФ-П, предназначены для:
— измерения и последующего преобразования информативных сигналов датчиков;
— обеспечения искробезопасности питающих и информативных цепей оборудования взрывозащищенного исполнения.
 

Барьеры являются связанным электрооборудованием по ГОСТ Р МЭК 60079-11  и предназначены для установки за пределами взрывоопасных зон помещений и наружных установок.

Пассивные барьеры имеют гальваническую связь между входом и выходом и относятся к классу шунтдиодных барьеров с обязательным искрозащитным заземлением.

Барьеры являются средствами измерений.
 
Барьеры выполнены в соответствии с требованиями предъявляемыми ГОСТ Р МЭК 60079-11 к взрывозащищенному электрооборудованию подгрупп IIС, IIB и IIA, имеют маркировку по взрывозащите
«[Ех iа Ga]IIС/IIB», «[Ех ib Gb]IIС/IIB», «[Ех iа Ga]IIА» и «[Ех ib Gb]IIА».

 

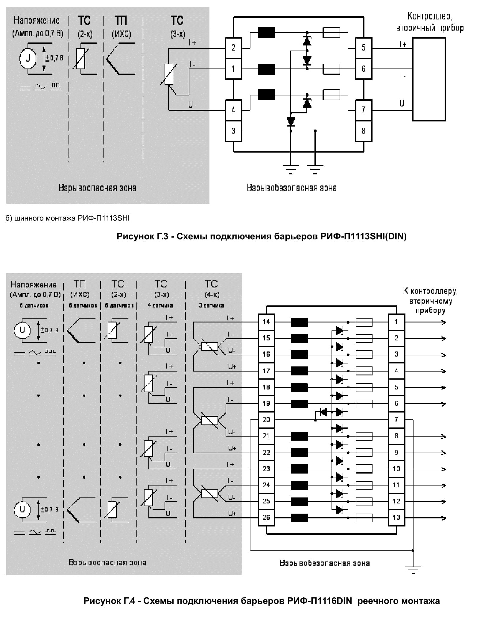
Основные типы сигналов (датчиков) и рекомендуемые для их подключения исполнения барьеров

 
 

Сокращенные обозначения датчиков, используемые в тексте

АТ  - токовая автоматика (выходной токовый сигнал с датчиков давления, температуры, расхода, уровня и др.);
ТС  - термометры сопротивления:
ТС-2х  - подключаемые, по 2-х проводной схеме подключения;
ТС-3х  - подключаемые, по 3-х проводной схеме подключения;
ТС-4х  - подключаемые, по 4-х проводной схеме подключения;
ТП  - термопары:
ТП (ИХС)  - с изолированным холодным спаем;
П (не ИХС)  - с неизолированным холодным спаем;
ЭП  - электропневматические преобразователи;
ЭПП  - электропневмопозиционеры;
Н  - напряжение амплитудой (значение указано в скобках);
П  - потенциометры;
РП  - реостатные датчики положения;
ТН  - тензомосты:
ТН-4х  - подключаемые, по 4-х проводной схеме подключения;
ТН-6ти  - подключаемые, по 6-ти проводной схеме подключения;
Namur  - датчики с выходом типа Namur (стандарт DIN 19234 или EN 60947-5-6), а также датчики с выходом типа «Сухой контакт»;
ОК  - импульсные выходы типа «Открытый коллектор» (пассивные числоимпульсные выходы расходомеров, осуществляющие генерирование выходного сигнала путем замыкания и размыкания выходного транзистора);
ПВТ  - преобразователи вихретоковые.
 
 
 
 
 
 
 
 
 
 
 
 
 
Пример заказа

РИФ-П1142SHI0;
РИФ-П1111DIN1.

 
 
 
Техническая поддержка
Николай Воронин
Руководитель отдела поддержки клиентов (термометрия)
Тех. поддержка
Написать специалисту
Заказ