Барьеры являются средствами измерений.
Барьеры могут использоваться в системах автоматического контроля, регулирования и управления технологическими процессами, связанными с получением, переработкой, использованием и хранением взрыво- и пожароопасных веществ и продуктов.
Барьеры искробезопасности активные выполнены в соответствии с требованиями предъявляемыми ГОСТ Р МЭК 60079-11-2010 к взрывозащищенному электрооборудованию подгрупп IIС и IIB, имеют маркировку по взрывозащите «[Ех iа Ga]IIС/IIB».
Барьеры искрозащиты являются связанным электрооборудованием по ГОСТ Р МЭК 60079-11-2010 и предназначены для установки за пределами взрывоопасных зон помещений и наружных установок.
Условия применения:
— температура окружающей среды -20...+60 °С;
— относительная влажность окружающего воздуха от 30 до 80 %;
— атмосферное давление от 86 до 106 кПа;
— синусоидальные вибрации частотой от 10 до 55 Гц.
НАЗНАЧЕНИЕ И ТЕХНИЧЕСКИЕ ХАРАКТЕРИСТИКИ РИФ-АГ2
Барьер РИФ-АГ2 предназначен для питания, преобразования и передачи в безопасную зону информативных сигналов датчиков с токовым выходом или других устройств автоматики, находящихся в искроопасной зоне.
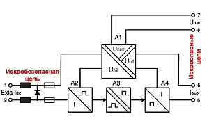
Структурная схема барьера РИФ-АГ2

А1 — Источник питания
А2 — Преобразователь постоянного сигнала в импульсный
А3 — Гальваническая развязка
А4 — Преобразователь импульсного сигнала в постоянный
Основные технические характеристики РИФ-АГ2
| Наименование характеристики |
Значение характеристики |
| Напряжение питания постоянного тока, В |
От 18 до 42 |
| Диапазон изменения тока искробезопасной цепи, мА |
От 4 до 20 |
| Напряжение питания датчика при нагрузке 20 мА (искробезопасная цепь), В не менее |
15, 3 |
| Пульсации искробезопасной цепи, мВ, не более |
150 |
|
Пределы основной приведенной погрешности преобразования, % от диапазона Iвых
- для линейного преобразования
- для корнеизвлекающего преобразования в диапазоне изменения Iвх:
- от 4 до 5,6 мА;
- более 5,6 мА
|
±0,25
±2,0
±0,3
|
|
Диапазон изменения тока искроопасной цепи, мА
(в зависимости от исполнения)
|
От 0 до 5;
От 4 до 20
|
| Нагрузочное сопротивление искроопасной цепи, Ом, не более |
500/2000 для
Iвых = (4-20)/(0–5) мА
|
| Ток потребления при напряжении питания (24 ± 2,4) В, мА, не более |
110 |
| Индикация наличия напряжения питания |
есть |
| Масса, кг не более |
0,135 |
| Средняя наработка на отказ, ч, не менее |
120000 |
| Средний срок службы, лет, не менее |
12 |
|
Пределы дополнительной погрешности:
— при изменении температуры окружающего воздуха от (20±2) °С до предельных значений, %/10 °С;
— при изменении напряжения питания от (24±0,5) В до предельных значений, %
|
пределы основной погрешности
половина пределов основной погрешности
|
Корпус барьера обеспечивает степень пылевлагозащиты IР30 по ГОСТ 14252-96.
Напряжение искробезопасной цепи находится в диапазоне от 23,5 до 27,0 В.
Схема подключений барьера РИФ-АГ2

НАЗНАЧЕНИЕ И ТЕХНИЧЕСКИЕ ХАРАКТЕРИСТИКИ РИФ-АГ4
Барьер РИФ-АГ4 предназначен для преобразования и передачи сигналов управления электропневматическими преобразователями или другими устройствами автоматики, находящихся в искробезопасной зоне.
Структурная схема барьера РИФ-АГ4

А1 Источник питания
А2 Преобразователь постоянного сигнала в импульсный
А3 Гальваническая развязка
А4 Преобразователь импульсного сигнала в постоянный
Основные технические характеристики РИФ-АГ4
| Наименование характеристики |
Значение характеристики |
| Напряжение питания постоянного тока, В |
От 18 до 42 |
| Диапазон изменения тока искробезопасной цепи, мА |
От 4 до 20 |
| Напряжение питания датчика при нагрузке 20 мА (искробезопасная цепь), В не менее |
15, 3 |
| Пульсации искробезопасной цепи, мВ, не более |
150 |
|
Пределы основной приведенной погрешности преобразования, % от диапазона Iвых (16мА)
|
± 0,25
|
| Нагрузочное сопротивление искроопасной цепи, Ом, не более |
500
|
| Ток потребления при напряжении питания (24±2,4) В, мА, не более |
110 |
|
Входное сопротивление искроопасной цепи, Ом, не более для сигнала:
- от 0 до 5 мА
- от 4 до 20 мА
|
50
150
|
| Индикация наличия напряжения питания |
есть |
| Масса, кг не более |
0,135 |
| Средняя наработка на отказ, ч, не менее |
120000 |
| Средний срок службы, лет, не менее |
12 |
Корпус барьера обеспечивает степень пылевлагозащиты IР30 по ГОСТ 14252-96.
Схема подключений барьера РИФ-АГ4

Примеры заказа:
РИФ-АГ2К5DIN1 — 2 штуки;
РИФ-АГ404DIN0 — 1 штука.