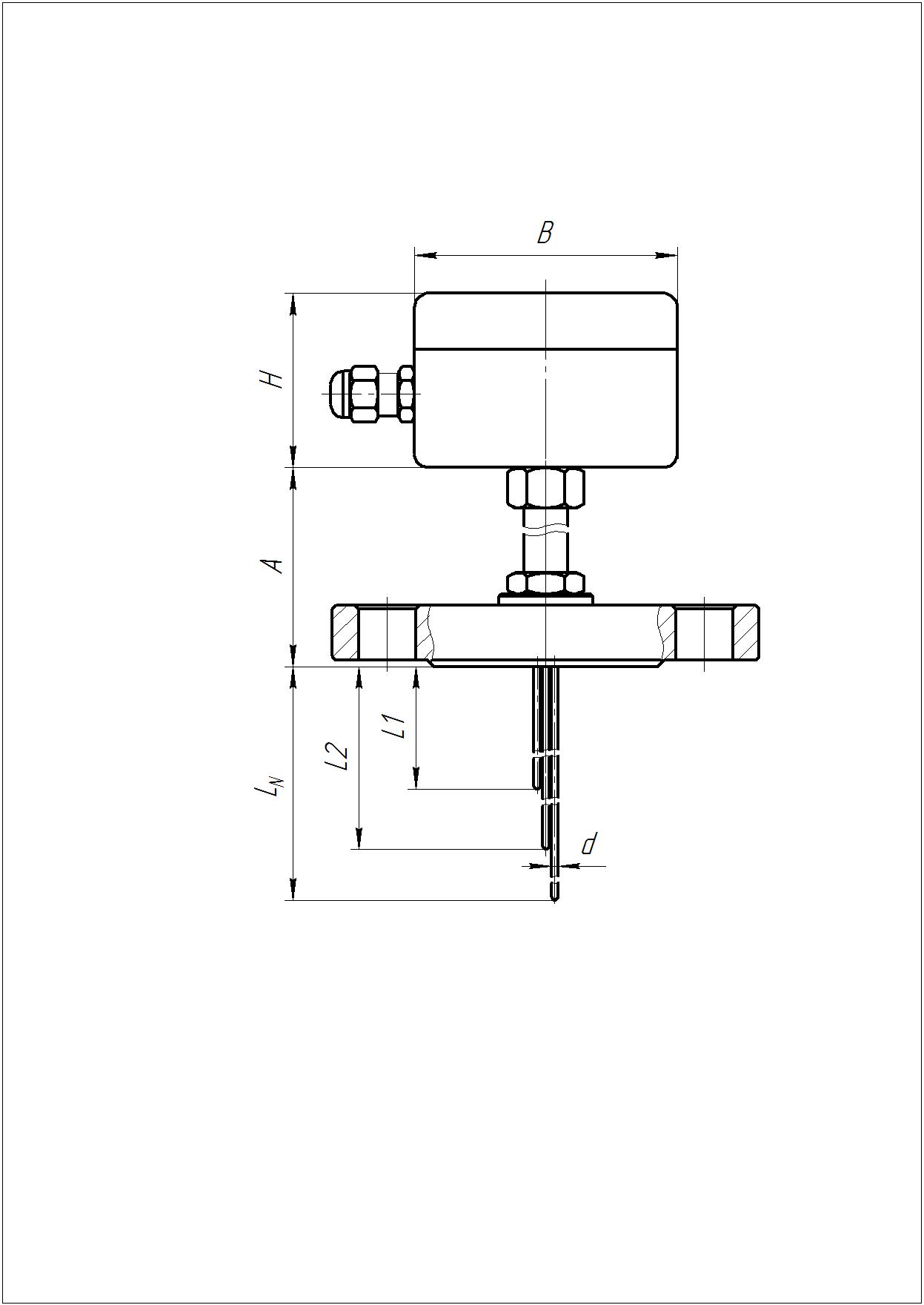
Многозонные термопары с поверкой на весь срок службы (до 10 лет).
Первичная поверка до ввода в эксплуатацию