ТПР-0792

ТПР-0792
ТПР-0792

"Платиновые" термопары с азотной поддувкой.

Отправить заявку
ГарантияДо 12 месяцев со дня ввода в эксплуатацию, но не более 18 месяцев с даты изготовления, в пределах ресурса.
Основные технические характеристики

Предназначены для измерения температуры водорода, окиси углерода, паров воды и высших углеводородов, химически агрессивных и высокотемпературных сред.

Диапазоны измерения:
для ТПР:    +600...+1600 °С.
Класс допуска чувствительного элемента:
для ТПР:     2 (по ГОСТ 6616).
ТПР-0792
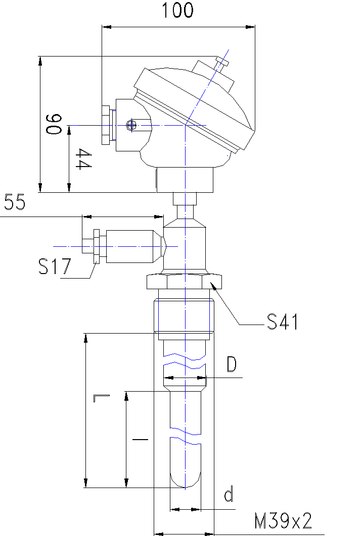
Защитная арматура — со штуцером М39х2; материал арматуры (D) — сталь 12Х18Н10Т; материал погружаемой части (d) —  корундовая керамика; D/d=28/20 мм; термоэлектроды Ø0,5/0,5 мм; не герметичны к измеряемой среде. Предусмотрен газовый наддув (азотом) для исключения проникновения вредных веществ внутрь защитной арматуры.
Техническая поддержка
Николай Воронин
Руководитель отдела поддержки клиентов (термометрия)
Тех. поддержка
Написать специалисту
Заказ