ТХА/ТНН-0297-00С, -02С, -01, -03

ТХА/ТНН-0297-00С, -02С, -01, -03
ТХА/ТНН-0297-00С, -02С, -01, -03

Преобразователи термоэлектрические (в дальнейшем - ТП) типа ТХА/ТНН-0297 предназначены для измерения температуры газовых потоков больших (до 300 м/с) скоростей при наличии на объекте вибраций и ударных воздействий.

Отправить заявку
ГарантияДо 12 месяцев со дня ввода в эксплуатацию, но не более 18 месяцев с даты изготовления, в пределах ресурса.
Основные технические характеристики

Предназначены для измерения температуры газовых потоков больших (до 300 м/с) скоростей при наличии на объекте вибраций и ударных воздействий — синусоидальных вибраций частотой 10...400 Гц при амплитуде ускорения до 49 м/с2, с амплитудой смещения до 0,35 мм (область применения — газотурбиные установки, двигателей внутреннего сгорания и другое).

Диапазон измерения
0... + 1000°C (t ном.=+750 °C).
Класс допуска
1, 2 (по ГОСТ 6616).
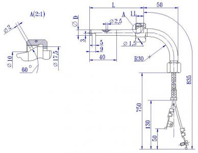
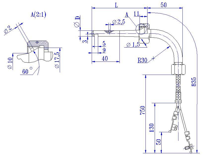
ТХА/ТНН-0297-00С  Датчик без корпуса, с кабельным выводом длиной 750 мм. Защитная арматура — изогнута под углом 90°, с накидной гайкой М12х1 с опорным конусом, материал — сталь ХН45Ю, рабочий конец Ø7 мм. Термоэлектроды Ø1,2 мм. Рабочий спай не изолирован от измеряемой среды, но изолирован от защитной арматуры. Негерметичны к измеряемой среде. Выполнена герметизация выводов датчика по отношению к измеряемой среде до Ру=0,6 МПа.
ТХА/ТНН-0297-02С Датчик без корпуса, с кабельным выводом длиной 750 мм. Защитная арматура — прямая с накидной гайкой М12х1 с опорным конусом, материал — сталь ХН45Ю, рабочий конец D=8 мм. Термоэлектроды Ø1,2 мм. Рабочий спай не изолирован от измеряемой среды, но изолирован от защитной арматуры. Негерметичны к измеряемой среде. Выполнена герметизация выводов датчика по отношению к измеряемой среде до Ру=0,6 МПа.
ТХА/ТНН-0297-01 Датчик без корпуса, с кабельным выводом длиной 750 мм. Защитная арматура — изогнута под углом 90 °С, с накидной гайкой М12х1 с опорным конусом, материал — сталь ХН45Ю, рабочий конец D=8 мм. Термоэлектроды Ø1,2 мм. Рабочий спай не изолирован от измеряемой среды, но изолирован от защитной арматуры. Негерметичны к измеряемой среде. Выполнена герметизация выводов датчика по отношению к измеряемой среде до Ру=0,6 МПа.
ТХА/ТНН-0297-03 Датчик без корпуса, с кабельным выводом длиной 750 мм. Защитная арматура — прямая с накидной гайкой М12х1 с опорным конусом, материал — сталь ХН45Ю, рабочий конец D=8 мм. Термоэлектроды Ø1,2 мм. Рабочий спай не изолирован от измеряемой среды, но изолирован от защитной арматуры. Негерметичны к измеряемой среде. Выполнена герметизация выводов датчика по отношению к измеряемой среде до Ру=0,6 МПа.
Техническая поддержка
Николай Воронин
Руководитель отдела поддержки клиентов (термометрия)
Тех. поддержка
Написать специалисту
Заказ