ТХА-0196С, -0196С-Е

ТХА-0196С, -0196С-Е
ТХА-0196С, -0196С-Е

Предназначены для измерения температуры расплавов алюминия, меди и др.

Отправить заявку
ГарантияДо 12 месяцев со дня ввода в эксплуатацию, но не более 18 месяцев с даты изготовления, в пределах ресурса.
Основные технические характеристики

Предназначены для измерения температуры расплавов алюминия, меди и др. расплавов, не разрушающих материал защитной арматуры.

Диапазон измерения

ТХА-0196С-Е 0...+900 °С
ТХА-0196С 0...+1000 °С 

Класс допуска

для ТХА — 1, 2 (по ГОСТ 6616).

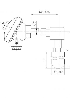
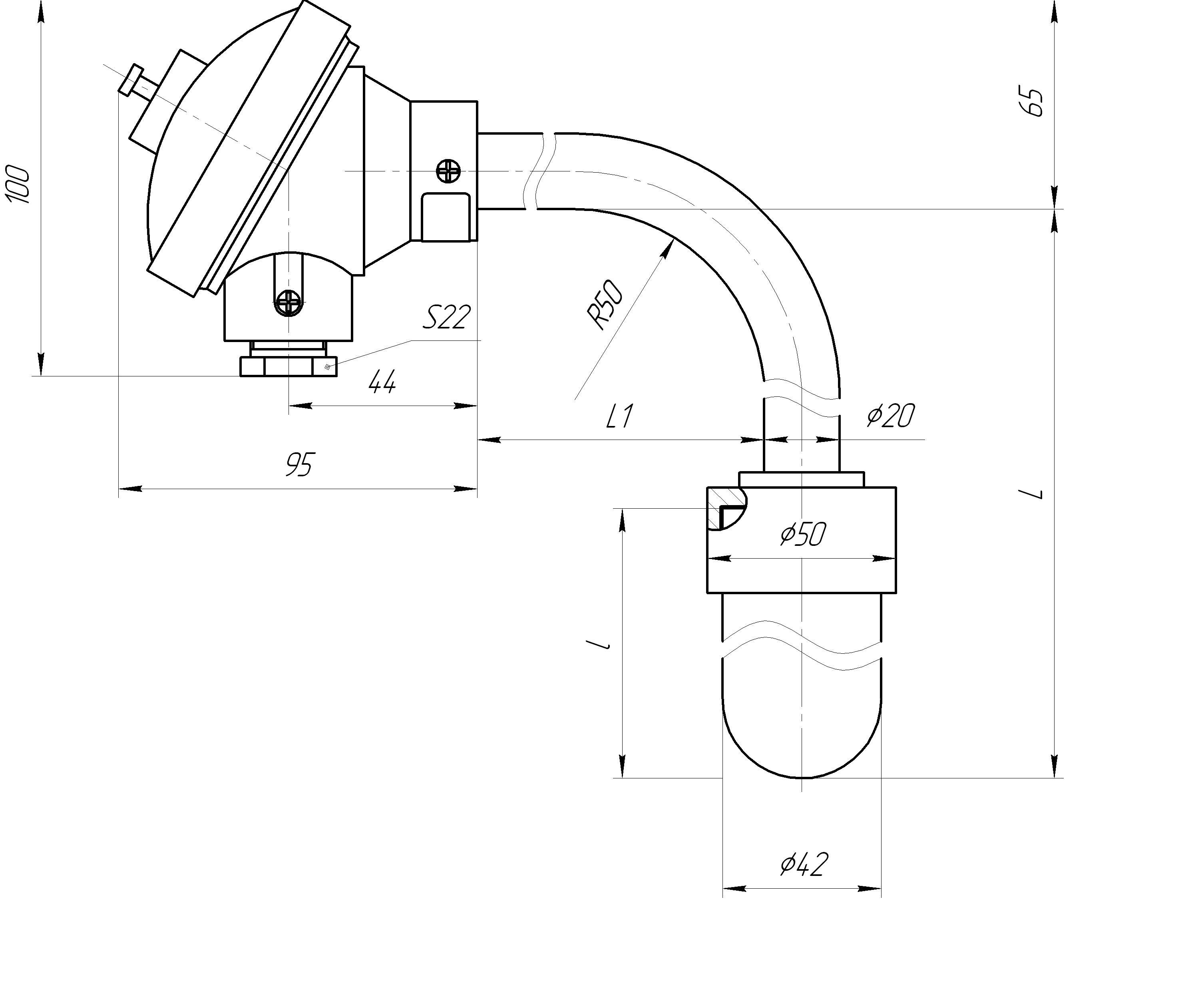
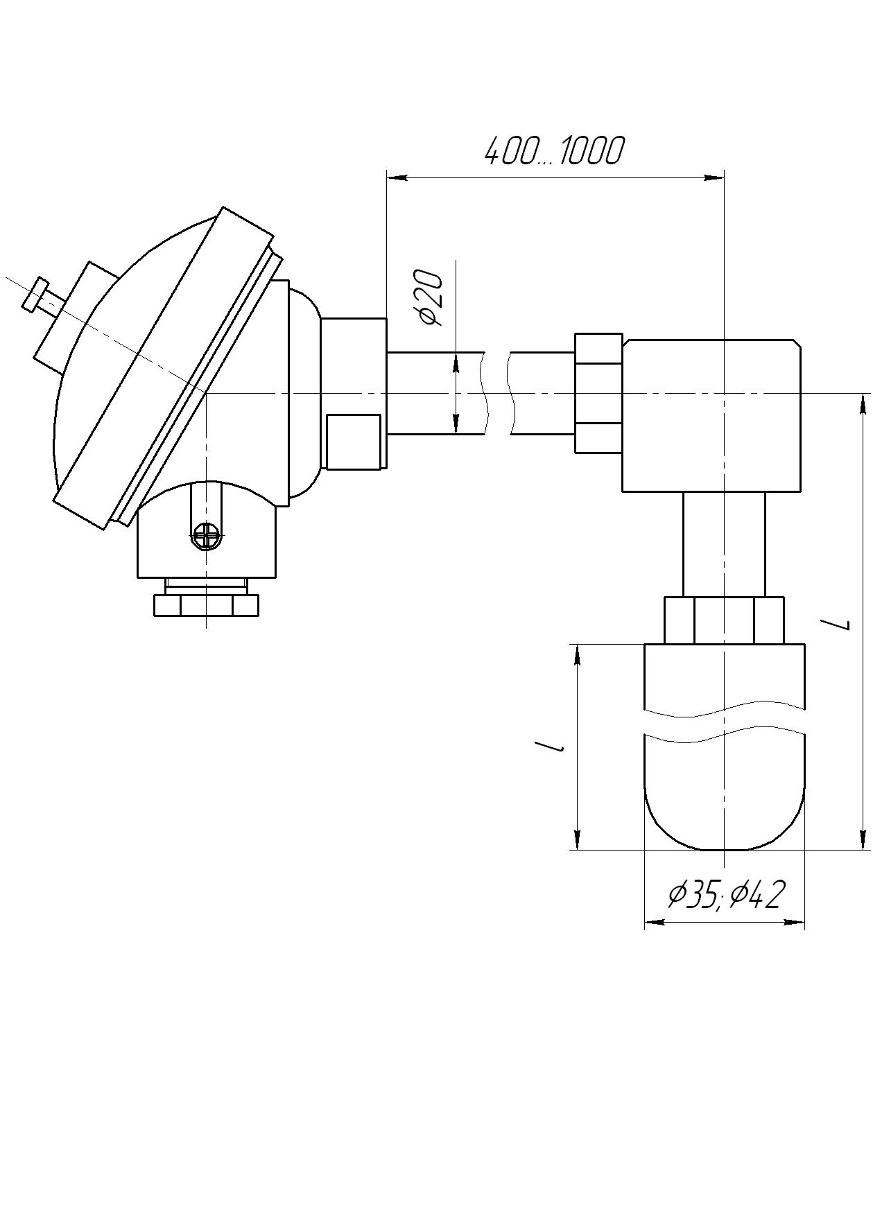
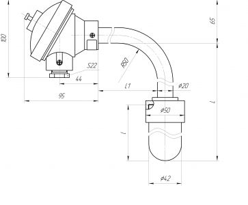
ТХА-0196C Защитная арматура — без штуцера, материал — сталь 15Х25Т, Ø16 мм, погружаемая часть — боросилицированный графит БСГ-30, Ø42 мм (участок длинной l), материал головки — алюминиевый сплав. Рабочий спай изолирован. Условное давление измеряемой среды Ру=6,3 МПа. Термоэлектроды Ø3,2 мм. Арматура изогнута под углом 90°.
ТХА-0196С-Е 
Защитная арматура — без штуцера, материал — сталь 15Х25Т или 12Х18Н10Т, Ø20 мм, погружаемая часть — чехол импортного производства из специального чугуна с неметаллическим покрытием Ø35 или 42 мм (участок длинной l), материал головки — алюминиевый сплав. Рабочий спай изолирован. Условное давление измеряемой среды Ру=10 МПа. Термоэлектроды  из высокостабильного импортного термопарного кабеля 1-го класса. Арматура изогнута под углом 90°.
Техническая поддержка
Николай Воронин
Руководитель отдела поддержки клиентов (термометрия)
Тех. поддержка
Написать специалисту
Заказ