ТХА/ТНН-0196-К, -01К, -СК; -0496К, -01К, -03К, -04К, -05К, -СК; -0499К, -01К, -03К, -СК

ТХА/ТНН-0196-К, -01К, -СК; -0496К, -01К, -03К, -04К, -05К, -СК; -0499К, -01К, -03К, -СК
ТХА/ТНН-0196-К, -01К, -СК; -0496К, -01К, -03К, -04К, -05К, -СК; -0499К, -01К, -03К, -СК

Высокотемпературные термопары с погружной частью из БСГ-30, с кабельной вставкой.

Отправить заявку
ГарантияДо 12 месяцев со дня ввода в эксплуатацию, но не более 18 месяцев с даты изготовления, в пределах ресурса.
Конфигурация и заказ
Выберите необходимые опции
Тип датчика
ТХА
ТХА
ТНН
ТНН
Исполнение
К
К
СК
СК
01К
01К
Вид взрывозащиты
Без взрывозащиты
Exia
Ex
Конструктивное исполнение
Арматура прямая
Арматура прямая с дополнительной защитой внутренним керамическим чехлом
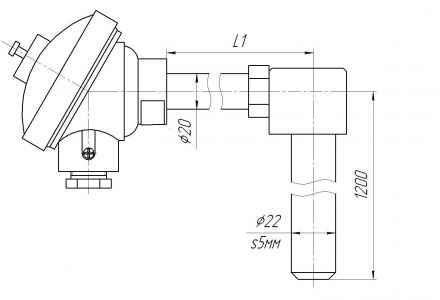
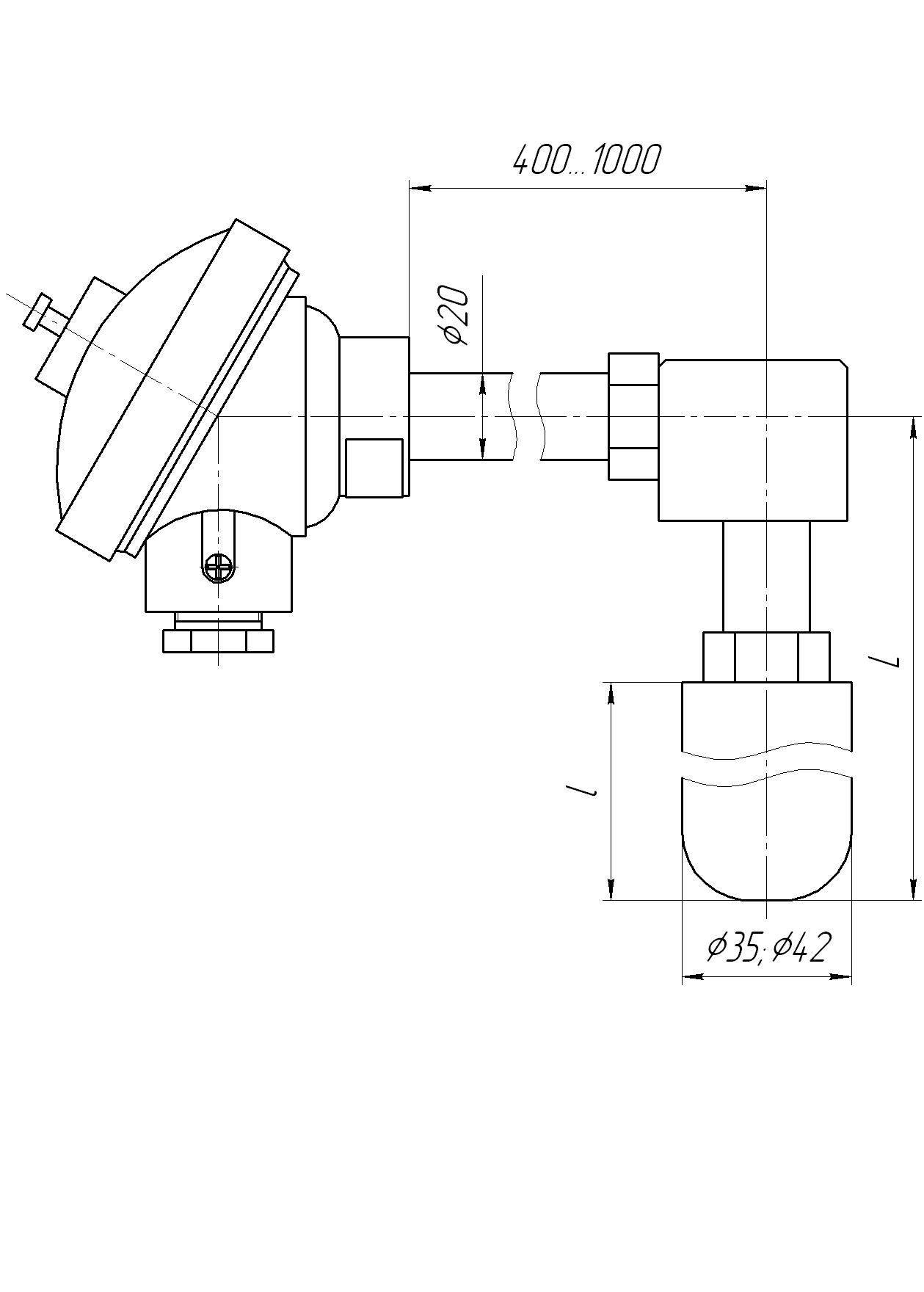
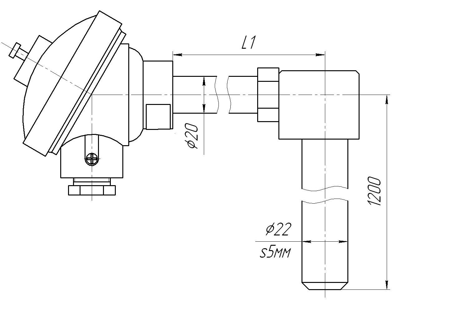
Арматура изогнута под углом 90°
Длина монтажной части, (l), мм
500
500
800
800
1000
1000
1250
1250
1600
1600
2000
2000
2500
2500
Длина преобразователя, (L), мм
380
(380)
380 (L1=400)
(380/L1=400)
500
(500)
740
(740)
740 (L1=800)
(740/L1=800)
1100
(1100)
1100 (L1=1250)
(1100/L1=1250)
1460
(1460)
1460 (L1=1250)
(1460/L1=1250)
1600
(1600)
1820
(1820)
Основные технические характеристики

Предназначены для измерения температуры газообразных и жидких, химически неагрессивных и агрессивных сред, не взаимодействующих с материалом термоэлектродов и не разрушающих материал защитной арматуры. Датчики температуры с кабельной вставкой.

Диапазон измерения
ТХА-0196-К 0...+1000 °С 
ТНН-0196-К 0...+1300 °С 
Класс допуска чувствительного элемента
для ТХА/ТНН — 1, 2 (по ГОСТ 6616).
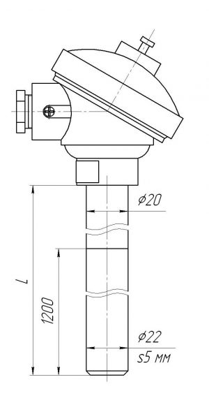
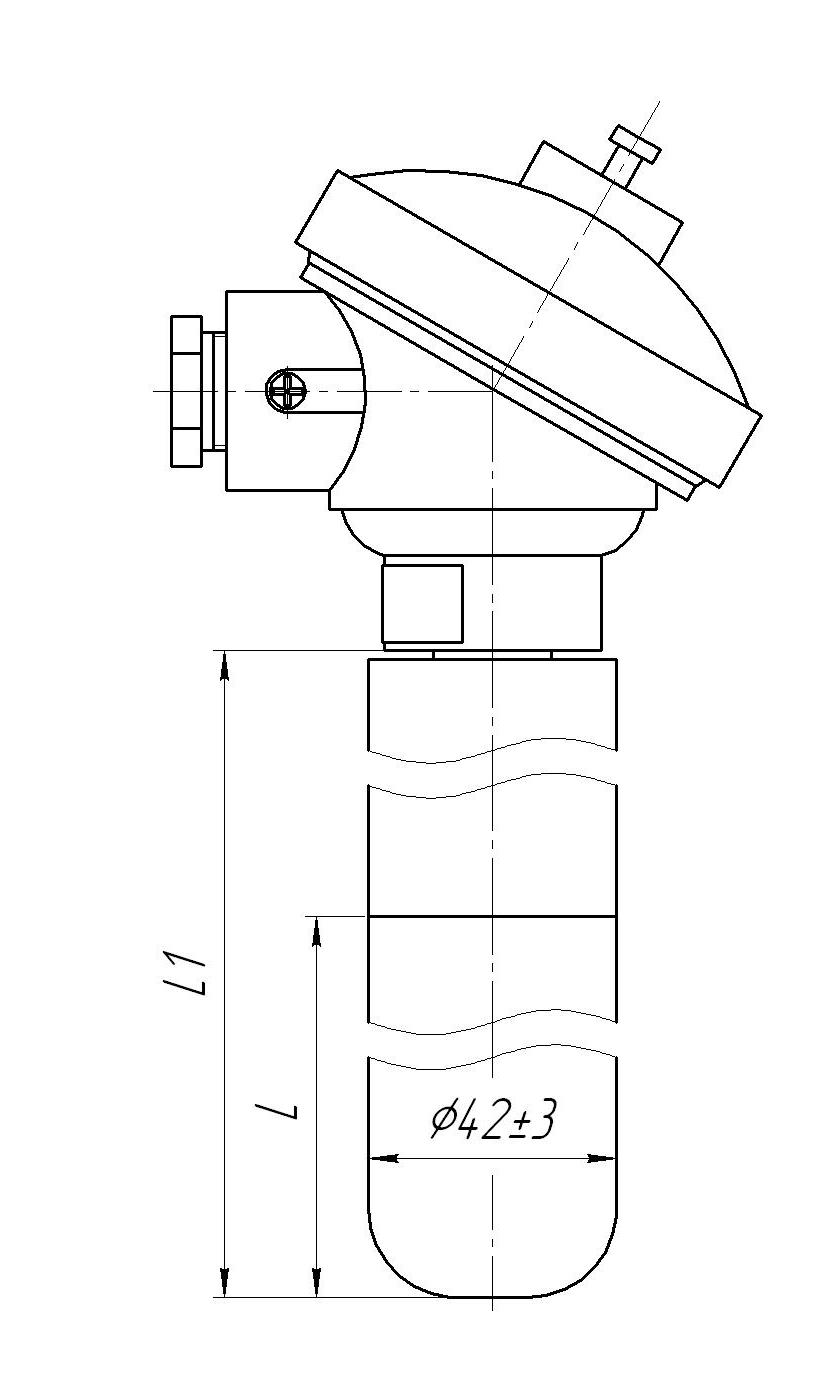
ТХА/ТНН-0196-К  Материал головки — алюминиевый сплав. Материал защитной арматуры — сталь 15Х25Т, Ø20 мм, погружаемая часть — боросилицированный графит БСГ-30, Ø42 мм. В качестве чувствительного элемента применен импортный термопарный кабель 1 класса. Рабочий спай изолирован.
ТХА/ТНН-0196-01К Материал головки — алюминиевый сплав. Материал защитной арматуры — сталь 15Х25Т, Ø20 мм, погружаемая часть — боросилицированный графит БСГ-30, Ø42 мм. В качестве чувствительного элемента применен импортный термопарный кабель 1 класса. Чувствительный элемент дополнительно защищен внутренним керамическим чехлом. Рабочий спай изолирован.
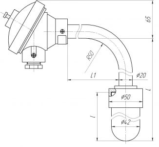
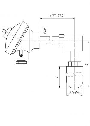
ТХА/ТНН-0196-СК  Материал головки — алюминиевый сплав. Материал защитной арматуры — сталь 15Х25Т, Ø20 мм — изогнута под углом 90ºC, погружаемая часть — боросилицированный графит БСГ-30, Ø42 мм. В качестве чувствительного элемента применен импортный термопарный кабель 1 класса.  Рабочий спай изолирован.
Техническая поддержка
Николай Воронин
Руководитель отдела поддержки клиентов (термометрия)
Тех. поддержка
Написать специалисту
Заказ