ТПП/ТПР-1к-П-01, -2к-П-01

ТПП/ТПР-1к-П-01, -2к-П-01
ТПП/ТПР-1к-П-01, -2к-П-01

Термопары с возможностью бездемонтажной проверки (защитная арматура из алюмооксидной керамики).

Проверочные преобразователи термоэлектрические ТПП-П, ТНН-П, ТХА-П, -В, -Р

Интервал между поверками — 1 год

Отправить заявку
ГарантияДо 12 месяцев со дня ввода в эксплуатацию, но не более 18 месяцев с даты изготовления, в пределах ресурса.
Основные технические характеристики

Предназначены для измерения температуры газообразных окислительных и нейтральных сред, воздуха, инертных газов, не взаимодействующих с материалом термоэлектродов и не разрушающих материал защитной арматуры.

Диапазон измеряемых температур, °С:

для ТПП 0…+1300 °С (t ном. = 1100 °С),

для ТПР +600…+1600°С (t ном. = 1300 °С)

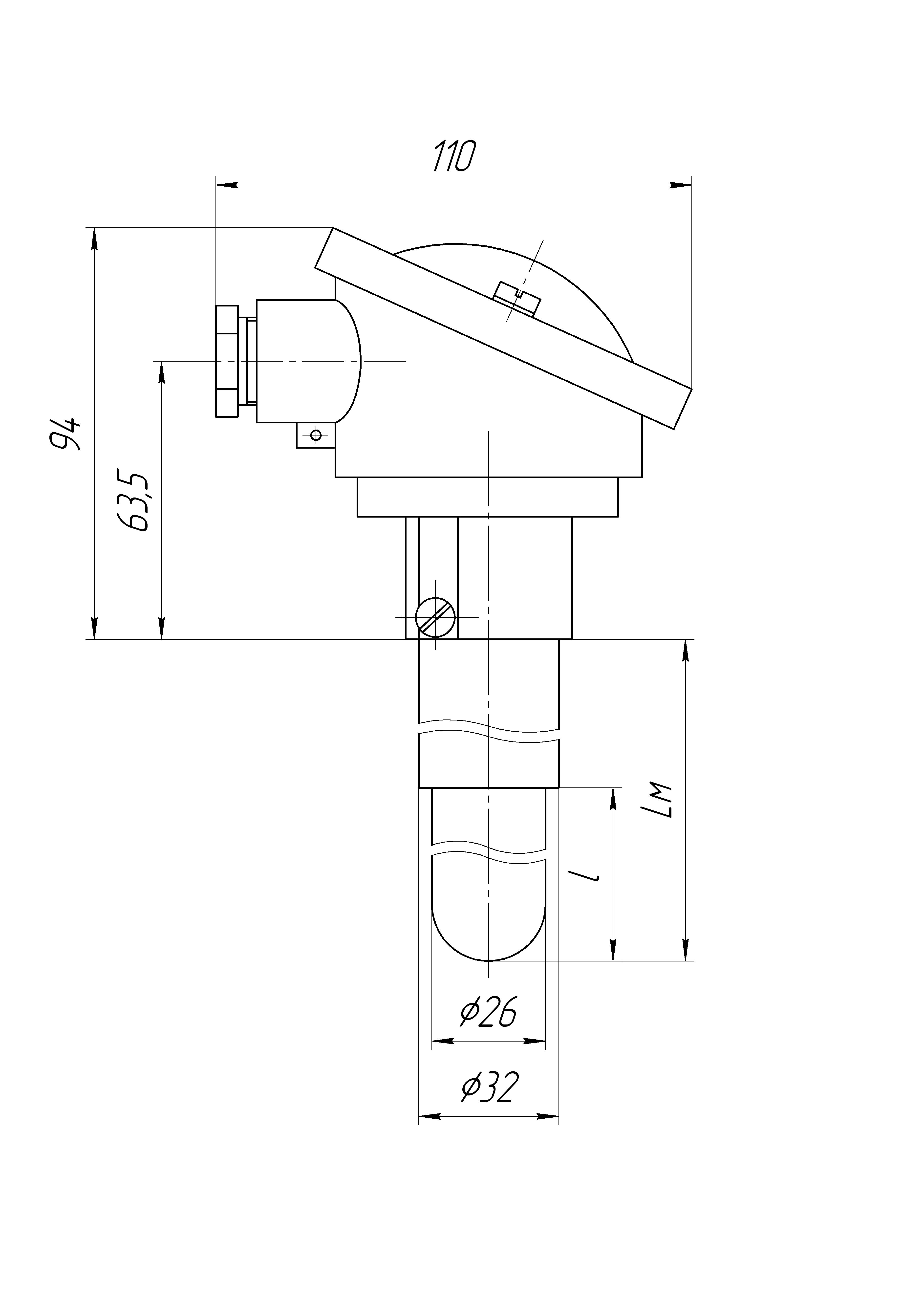
Материал поддерживающей части - сплав ХН45Ю диаметром 32мм, погружаемая часть алюмооксидная керамика диаметром 26мм. Имеют канал для установки проверочного преобразователя диаметром 3мм, предназначенного для периодического контроля значений температуры рабочего преобразователя без его демонтажа. Материал головки-алюминиевый сплав. Термоэлектроды Ø 0,5х0,5 или Ø 0,4х0,5мм. Один чувствительный элемент. Усиленная защита термоэлектродов из алюмооксидной керамики. Рабочий спай изолирован. Негерметичны к измеряемой среде. Для исполнения ТПП/ТПР -2к-П-01 - два чувствительных элемента.

Техническая поддержка
Николай Воронин
Руководитель отдела поддержки клиентов (термометрия)
Тех. поддержка
Написать специалисту
Заказ