ТСМ/ТСП-0196, -0196Б, 0196-01, -01Б, -04, -04Б, -05, -05Б, -06, -06Б, -09, -09Б, -10Р, -11Р, -12Р

ТСМ/ТСП-0196, -0196Б, 0196-01, -01Б, -04, -04Б, -05, -05Б, -06, -06Б, -09, -09Б, -10Р, -11Р, -12Р
ТСМ/ТСП-0196, -0196Б, 0196-01, -01Б, -04, -04Б, -05, -05Б, -06, -06Б, -09, -09Б, -10Р, -11Р, -12Р

Бескорпусные термометры сопротивления, в том числе для измерения температуры поверхности твердых тел и малогабаритных подшипников.

Интервал между поверками — 4 года

Отправить заявку
ГарантияДо 12 месяцев со дня ввода в эксплуатацию, но не более 18 месяцев с даты изготовления, в пределах ресурса.
Конфигурация и заказ
Выберите необходимые опции
Тип датчика
ТСП
ТСП
ТСМ
ТСМ
Исполнение
00
Б
Б
01
01
01Б
01Б
04
04
04Б
04Б
05
05
05Б
05Б
06
06
06Б
06Б
09
09
09Б
09Б
10Р
10Р
11Р
11Р
12Р
12Р
Вид взрывозащиты
Без взрывозащиты
Exia
Ex
Температурный диапазон
-50 ... +150 ºC
-50 ... +180 ºC
-50 ... +200 ºC
-50 ... +260 ºC
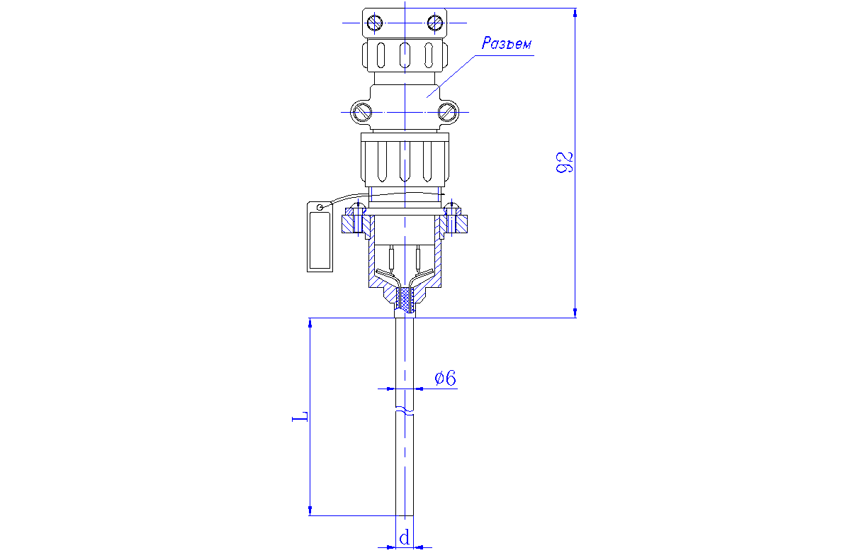
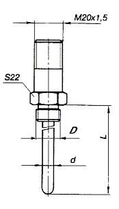
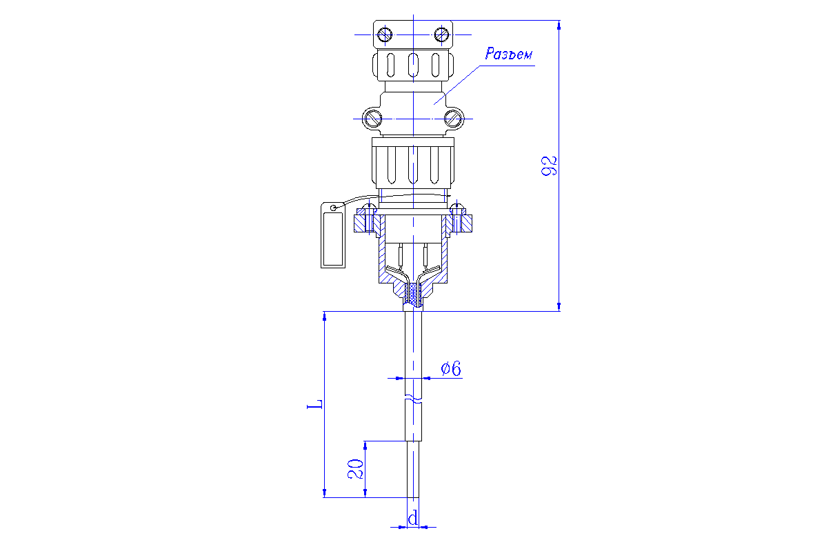
Длина монтажной части, (l), мм
60
60
80
80
100
100
120
120
160
160
170
170
180
180
200
200
250
250
320
320
400
400
500
500
Измеряемая среда
Газ
Жидкость
Подшипники и поверхности твердых тел
Тип присоединения к процессу
Передвижной штуцер M20×1.5
Неподвижный штуцер M16×1.5
Неподвижный штуцер M20×1.5
Без крепежных элементов
Передвижной штуцер М16×1.5
Утонение, мм
4
5
без утонения
Основные технические характеристики

Предназначены для измерение температуры на пресс-формах термоформовочных машин при изготовлении изделий из пластмассы.

HCX по ГОСТ Р 8.625:

— для ТСП: 100П (W100= 1,391).

Без головки, с кабельным выводом (провод МГТФ). Наружная оболочка кабеля из гибкой кремнийорганической трубки. Кабель герметичен к окружающей среде, выдерживает рабочую температуру +200 °С. Защитная арматура — сталь 12Х18Н10Т. Дополнительная защита места соединения арматуры и трубки ТКР фторопластовой трубкой.

Техническая поддержка
Николай Воронин
Руководитель отдела поддержки клиентов (термометрия)
Тех. поддержка
Написать специалисту
Заказ