ТСМ/ТСП-0595, 0595-01, -02

ТСМ/ТСП-0595, 0595-01, -02
ТСМ/ТСП-0595, 0595-01, -02

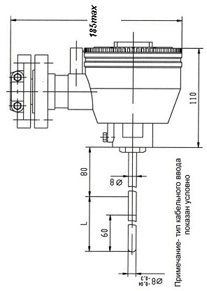
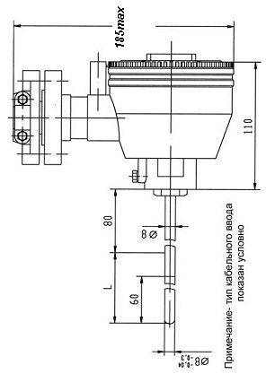
Термометры сопротивления с видом взрывозащиты Exd.

 Интервал между поверками — 2 года

Монтажные комплекты для термопреобразователей серии ТСМ/ТСП -0595, -0595-01, -0595-02

Отправить заявку
ГарантияДо 12 месяцев со дня ввода в эксплуатацию, но не более 18 месяцев с даты изготовления, в пределах ресурса.
Конфигурация и заказ
Выберите необходимые опции
Тип датчика
ТСП
ТСП
ТСМ
ТСМ
Исполнение
00
01
01
02
02
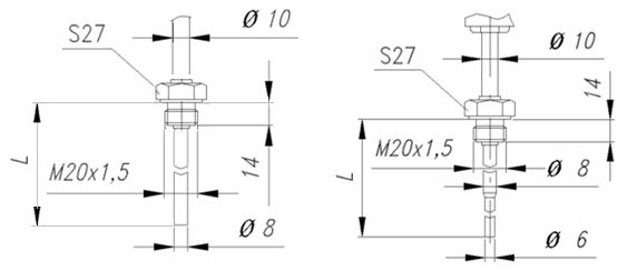
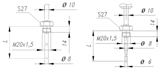
Длина монтажной части, (l), мм
80
80
100
100
120
120
160
160
200
200
250
250
320
320
400
400
500
500
1250
1250
2000
2000
Температурный диапазон
-50 ... +500 ºC
-50 ... +150 ºC
Тип присоединения к процессу
Без крепежных элементов
Штуцер неподвижный М20×1.5
Измеряемая среда
Газ
Жидкость
Материал арматуры/оболочки кабеля
10Х17Н13М2Т
10Х17Н13М2Т
08Х13
08Х13
Основные технические характеристики

Предназначены для измерения температуры газообразных и жидких сред во взрывоопасных зонах или помещениях, где могут содержаться аммиак, азотоводородная смесь, природный газ и продукты его сгорания, углекислый газ, конвертированный газ и его компоненты, агрессивные примеси сероводорода и сернистого ангидрида в допустимых пределах по ГОСТ 12.1.005. Кратковременно (до 4 часов) допускается эксплуатация при концентрации примеси сероводорода до 100 мг/м3 или сернистого ангидрида до 200мг/м3 (область применения — нефтяная, нефтехимическая, газовая промышленность и другое). Для защиты монтажной части могут использоваться гильзы защитные вварные ГЗВ, резьбовые ГЗР и фланцевые ГЗФ. 

Вид защиты — "взрывонепроницаемая оболочка". Маркировка взрывозащиты — "lExdllCT5X" по ГОСТ 12.2.020. Защитная арматура Ø8 мм — без штуцера, материал головки — алюминиевый сплав. Для монтажа датчика на объекте применяются монтажные комплекты для бронированного кабеля и для трубного монтажа электрической соединительной линии . Тип этих комплектов (номер кабельного ввода) необходимо указывать в заявке. Для защиты монтажной части могут использоваться гильзы защитные 6.236.003-00.1...-29.1 или 8.236.001-0.1...04.1

Техническая поддержка
Николай Воронин
Руководитель отдела поддержки клиентов (термометрия)
Тех. поддержка
Написать специалисту
Заказ