ТСМ/ТСП-0395, -01, -02, -03, -04, -05, -06, ТСМ-0395-07

ТСМ/ТСП-0395, -01, -02, -03, -04, -05, -06, ТСМ-0395-07
ТСМ/ТСП-0395, -01, -02, -03, -04, -05, -06, ТСМ-0395-07

Термометры сопротивления для измерения температуры пищевых продуктов при их производстве и стерилизации (в том числе батонов колбас).

Интервал между поверками — 4 года

Отправить заявку
ГарантияДо 12 месяцев со дня ввода в эксплуатацию, но не более 18 месяцев с даты изготовления, в пределах ресурса.
Конфигурация и заказ
Выберите необходимые опции
Тип датчика
ТСП
ТСП
ТСМ
ТСМ
Исполнение
00
01
01
02
02
03
03
04
04
05
05
06
06
07
07
Вид взрывозащиты
Без взрывозащиты
Exia
Ex
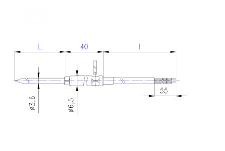
Длина монтажной части, (l), мм
80(l=2500)
80(l=2500)
80(l=4500)
80(l=4500)
100(l=2500)
100(l=2500)
100(l=4500)
100(l=4500)
120(l=2500)
120(l=2500)
120(l=4500)
120(l=4500)
Основные технические характеристики

Предназначены для измерений температуры пищевых продуктов при их производстве и стерилизации (в том числе батонов колбас).

HCX по ГОСТ Р 8.625:

— для ТСП: 50П (W100= 1,391);
— для ТСМ: 100М.

Без головки, защитная арматура — Ø3,2 мм, с кабелем для подключения к прибору из проводов МГТФ сечением 0,12 мм2 и с наружной оболочкой из фторопластовой трубки 1=2500 мм.

Техническая поддержка
Николай Воронин
Руководитель отдела поддержки клиентов (термометрия)
Тех. поддержка
Написать специалисту
Заказ