ТСМ/ТСП-0193, -1293, -1393

ТСМ/ТСП-0193, -1293, -1393
ТСМ/ТСП-0193, -1293, -1393

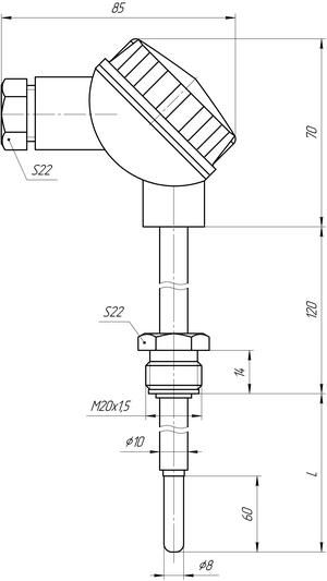
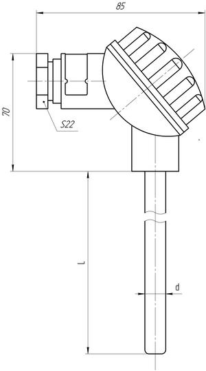
Термометры сопротивления ТСМ/ТСП серий 0193, 1293 и 1393.

Интервал между поверками — 4 года

Отправить заявку
ГарантияДо 12 месяцев со дня ввода в эксплуатацию, но не более 18 месяцев с даты изготовления, в пределах ресурса.
Основные технические характеристики

Предназначены для измерений температуры жидких и газообразных химически неагрессивных, а так же агрессивных сред, не разрущающих материал защитной арматуры.

HCX по ГОСТ Р 8.625:

— для ТСП: 50П или 100П (W100=1,391);
— для ТСМ: 50М или 100М.

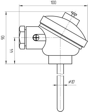
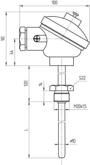
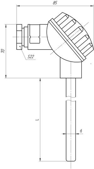
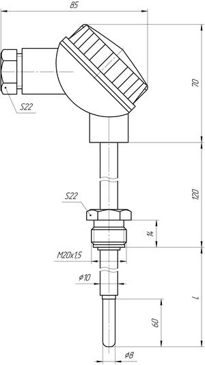
Защитная арматура — прямая труба 12Х18Н10Т, Ø10 мм, без штуцера; материал головки — термостойкая пластмасса.

Техническая поддержка
Николай Воронин
Руководитель отдела поддержки клиентов (термометрия)
Тех. поддержка
Написать специалисту
Заказ