Челябинск
Екатеринбург
Костанай
Красноярск
Москва
Пермь
Самара
Санкт-Петербург
Челябинск
+7 (351) 725-89-78
Меню
О группе компаний
Опросные листы
Метрология и поверка
Техническая поддержка
Сервисное обслуживание
Контакты
0
Каталог продукции
Выбор из перечня приборов
⇓ Скачать каталог в pdf
Сервисное обслуживание
Датчики температуры
Уровнемеры
Датчики давления CROCUS-L
Вторичная аппаратура
Функциональная аппаратура
Измерительные преобразователи, защитные гильзы, бобышки и прочие узлы и детали к ДТ
Продукция "Экспресс-анализ"
Готовая продукция в наличии на складе
Подбор датчиков температуры
По параметрам
Готовая продукция
В наличии на складе
Ваш заказ
99+
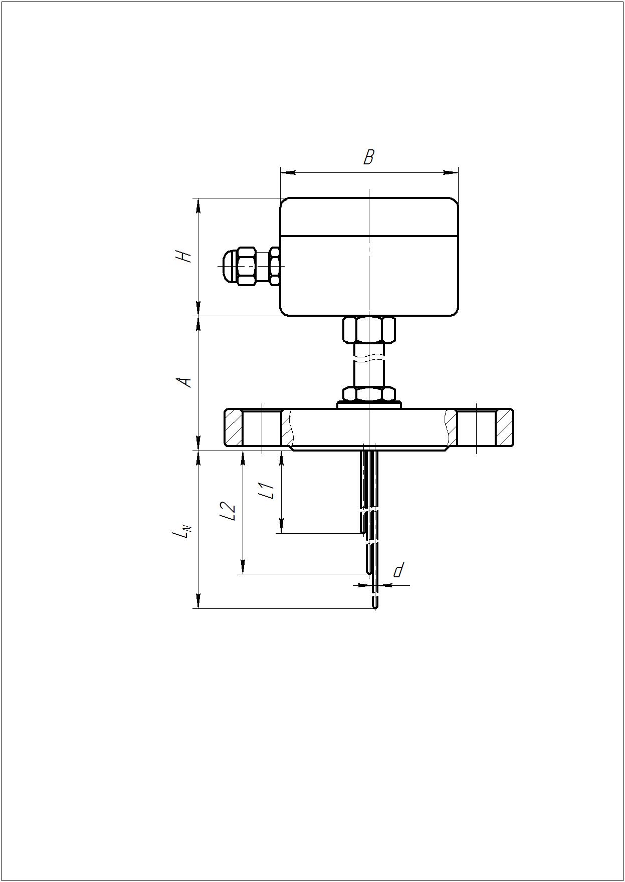
Датчики температуры
Термометры сопротивления
Многозонные термометры сопротивления
ТР-Е-10
ТР-Е-10
ТР-Е-10
Многозонные термометры сопротивления с поверкой на весь срок службы (до 10 лет).
Отправить заявку
Гарантия
До 12 месяцев со дня ввода в эксплуатацию, но не более 18 месяцев с даты изготовления, в пределах ресурса.
Конфигурация и заказ
Выберите необходимые опции
Тип датчика
ТСМ
ТСП
(НСХ) Номинальная статическая характеристика чувствительного элемента
100М
100П
Pt100
Температурный диапазон
-50:
-50:
-196:
-196:
-196:
Измеряемая среда
Газ
Жидкость
Вид взрывозащиты
Без взрывозащиты
Exia
Материал корпуса
Без корпуса
Нержавеющая сталь
Алюминиевый сплав
Фиксация крышки корпуса
Без корпуса
Винт
Тип присоединения к процессу
Фланец
Штуцер
Класс допуска чувствительного элемента
AA
A
B
C
Количество чувствительных элементов
1
2
Измерительный преобразователь
4-20 / 20-4 мА
4-20 / 20-4 мА + HART
Profibus-PA
Схема соединения проводников с ЧЭ
сх. 2
сх. 3
сх. 4
Добавить другое устройство
Сбросить конфигуратор
Добавить в заказ
Основные технические характеристики
Многозонные термометры сопротивления с поверкой на весь срок службы (до 10 лет).
Документы, ПО, опросные листы
Сертификат об утверждении типа СИ №65799-16 ТР-Е-10, ТП-Е-10 до 05.12.2026
Файл pdf, 0.32 МБ
Опросный лист
Файл docx, 0.58 МБ
Сертификат соответствия ТР ТС 032/2013
Файл pdf, 2.27 МБ
Сертификат соответствия ТР ТС 012/2011
Файл pdf, 11.54 МБ
Руководство по эксплуатации ТР-Е-10
Файл pdf, 0.68 МБ
Паспорт на изделие
Файл pdf, 0.22 МБ
Отзывы на изделие
(1)
AO "Новокуйбышевская нефтехимическая компания"
Файл pdf, 0.04 МБ
Техническая поддержка
Николай Воронин
Руководитель отдела поддержки клиентов (термометрия)
+7 (351) 725-89-26
Написать специалисту
Заказ
Продолжая просмотр сайта, вы соглашаетесь с использованием файлов cookie и иных методов, средств и инструментов интернет-статистики, применяемых для повышения удобства использования сайта. Пожалуйста, ознакомьтесь с
«Политикой конфиденциальности»
Я согласен